Micro-comutatorul de accident vascular cerebral de presiune de auto-reziliere, ca element de control declanșat de deplasarea mecanică, joacă un rol de bază în controlul precis al limitelor de mișcare ale echipamentelor, realizând o protecție automată de start-stop sau siguranță și se aplică pe scară largă în diferite domenii, cum ar fi industria, aparatele de acasă și transportul.
Comutator Introduceuct
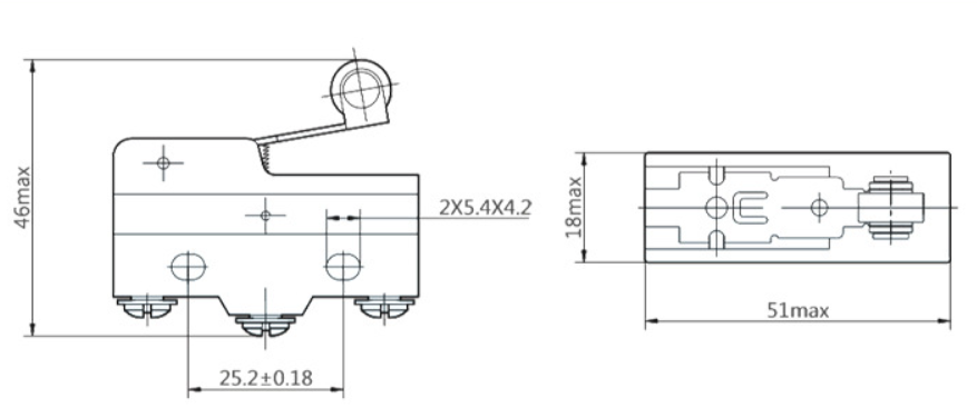
The travel limit switch is triggered mechanically, and the action of the contacts is used for control: when the moving parts of the equipment move to a preset position and touch the triggering mechanism of the switch (such as a roller or lever), it drives the internal mechanical structure to interact, causing the normally open/normally closed contacts of the switch to switch between on and off, thereby cutting off or connecting the control circuit to realize the start and stop of the equipment, limit protection, or Comutarea procesului.
Comutator Aplicațietion
În echipamente precum strunguri, mașini de frezare și centre de prelucrare, întrerupătoarele de limită sunt instalate în mod obișnuit la ambele capete ale șinei de ghidare sau în pozițiile extreme ale mesei glisante. De exemplu, pe suportul de instrumente care se deplasează în mișcare a unui strung CNC, atunci când suportul sculei se apropie de sfârșitul pistei, comutatorul este declanșat pentru a tăia puterea motorului, împiedicând suportul de scule să -și depășească călătoria și se ciocnește cu corpul mașinii. În mod similar, atunci când tabelul de lucru al mașinii de frezare se deplasează lateral sau înainte și înapoi, comutatorul controlează cu exactitate limitele de mișcare, prevenind interferența dintre componentele piesei și mașinii, protejând astfel instrumentul de tăiere și asigurând precizia prelucrării.
Comutator Detalii
