Limita de presiune de auto-reziliere Micro Switch este o componentă de control automat declanșată de mișcare mecanică. Funcția sa principală este de a detecta deplasarea sau cursa unui obiect pentru a obține deschiderea și închiderea circuitelor, pornirea și oprirea echipamentului sau protecția limită. Este o „santinelă de siguranță” indispensabilă și „comandant de acțiune” în automatizarea industrială și echipamentele electromecanice.
Comutator Introduceuct
Comutatorul de călătorie (cunoscut și sub denumirea de comutator de limită) este o componentă de control automată declanșată de mișcare mecanică. Funcția sa principală este de a detecta deplasarea sau cursa unui obiect pentru a obține deschiderea și închiderea circuitelor, pornirea și oprirea echipamentului sau protecția limită. Este o „santinelă de siguranță” indispensabilă și „comandant de acțiune” în automatizarea industrială și echipamentele electromecanice.
Comutator Aplicațietion
Mecanismul de ridicare a platformei de tăiere a recoltatului combinat este echipat cu un comutator de călătorie care stabilește „înălțimea minimă de lucru” și „înălțimea de transport” a platformei de tăiere. În timpul recoltării, dacă platforma de tăiere coboară prea jos (aproape de sol, eventual răzuind solul), întrerupătorul este declanșat pentru a controla sistemul hidraulic pentru a ridica platforma de tăiere; În timpul transportului, când platforma de tăiere se ridică la cea mai înaltă poziție, întrerupătorul este declanșat pentru a bloca înălțimea platformei de tăiere, împiedicând agitarea în timpul conducerii. În cutia de semințe a semănătorului, comutatorul de deplasare detectează nivelul semințelor. Când semințele sunt pe cale să se epuizeze, comutatorul declanșează un dispozitiv de alarmă pentru a reaminti operatorului să adauge semințe, împiedicând însămânțarea ratată.
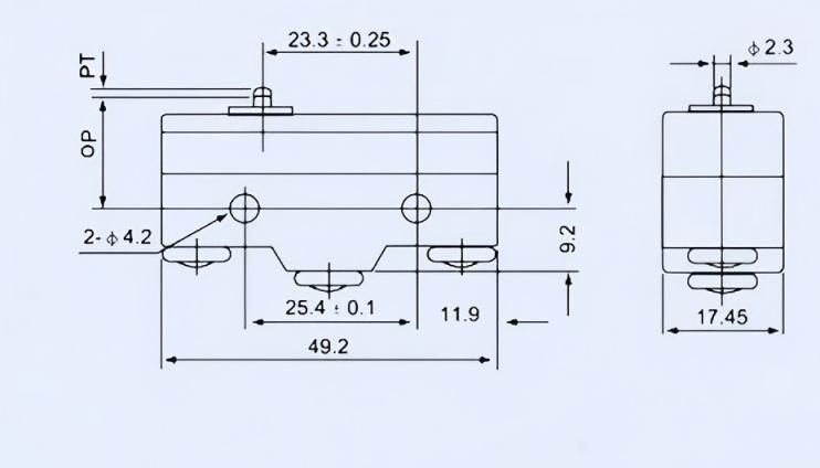
Comutator Detalii
