Micro -comutatorul de tip buton de tip dop din piese auto are un interval de contact mic și un mecanism de acțiune rapidă, iar mecanismul de contact pentru comutarea acțiunii cu cursa și forța specificată este acoperită de coajă și există o transmisie la exterior, iar forma este mică.
Produs Introduceuct
Micro-comutatoarele push-to-push este o componentă electronică comună folosită pentru a controla starea de pornire și oprire a unui circuit. De obicei, constă dintr -un buton și un comutator care se schimbă starea atunci când este apăsat butonul.
Întrerupătoarele de butoane de apăsare pot utiliza un efect de clipire, atunci când este apăsat butonul, butonul va clipi pentru a atrage atenția utilizatorului.
Produs Aplicațieși specificații
Micro -comutatoarele cu buton de tip dop de tip dop pot fi utilizate pentru a controla lumina, atunci când este apăsat butonul, lumina se va aprinde sau opri. De asemenea, poate fi utilizat pentru a controla comutatorul de echipamente electrice, aer condiționat, etc. În câmpul industrial, întrerupătoarele cu butoane de apăsare sunt utilizate pe scară largă pentru a controla și oprirea echipamentelor mecanice. Fie că este vorba de echipamente gospodărești, industriale, auto sau electronice, este inseparabilă din această componentă simplă de control.
| Comutați caracteristicile tehnice: | |||
| ARTICOL | Parametrul tehnic | Valoare | |
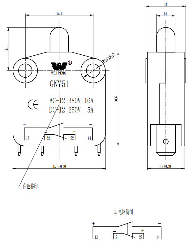
| 1 | Rating electric | 16A 250VAC | |
| 2 | Rezistență la contact | ≤50mΩ Valoarea inițială | |
| 3 | Rezistență la izolare | ≥100mΩ (500VDC) | |
| 4 |
Dielectric Voltaj |
Între Terminale neconectate |
500V/0,5mA/60S |
| Între terminale și rama metalică |
1500V/0,5mA/60S | ||
| 5 | Viață electrică | ≥50000 cicluri | |
| 6 | Viață mecanică | ≥100000 de cicluri | |
| 7 | Temperatura de funcționare | -25 ~ 125 ℃ | |
| 8 | Frecvența de funcționare | Electric: 15 cicluri Mecanic: 60 de cicluri |
|
| 9 | Dovada vibrațiilor | Frecvența vibrației: 10 ~ 55Hz; Amplitudine: 1,5mm; Trei direcții: 1h |
|
| 10 | Abilitatea de lipit: Mai mult de 80% din partea cufundată va fi acoperit cu lipire |
Temperatura de lipire: 235 ± 5 ℃ Timp de imersare: 2 ~ 3s |
|
| 11 | Rezistență la căldură de lipit | Soluție în scufundare: 260 ± 5 ℃ 5 ± 1S Soluție manuală: 300 ± 5 ℃ 2 ~ 3S |
|
| 12 | Aprobări de siguranță | UL、CSA、TUV、CQC、CE | |
| 13 | Condiții de testare | Temperatură ambiantă: 20 ± 5 ℃ Umiditate relativă: 65 ± 5%RH Presiunea aerului: 86 ~ 106kpa |
|
Produs Detalii


