Microcomutatorul magnetic din plastic este un dispozitiv de comutare care controlează pornirea-oprirea unui circuit prin semnale de câmp magnetic. Caracteristica sa de bază este funcționarea fără contact, astfel încât are avantajele unui răspuns rapid, durată lungă de viață și fiabilitate ridicată și este utilizat pe scară largă în domeniul automatizării industriale, securității, auto și caselor inteligente.
Micro Switch Introducere
Un comutator magnetic este un dispozitiv de comutare care controlează pornirea și oprirea unui circuit prin semnale de câmp magnetic. Caracteristica sa de bază este funcționarea fără contact, astfel încât are avantajele unui răspuns rapid, durată lungă de viață și fiabilitate ridicată și este utilizat pe scară largă în domeniul automatizării industriale, securității, auto și caselor inteligente.
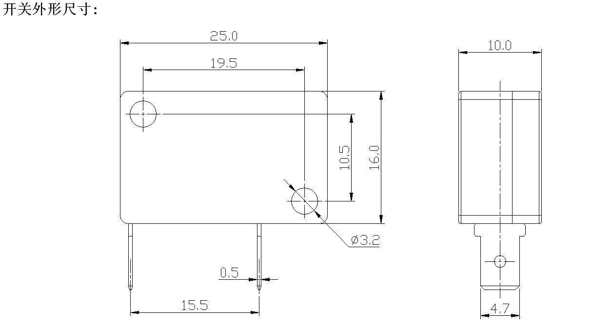
Parametrul micro-comutatorului (specificație)
| Caracteristici tehnice ale comutatorului: | |||
| ARTICOL | Parametrul tehnic | Valoare | |
| 1 | Evaluare electrică | 5(2)A/10A/16(3)A/21(8)A 250VAC | |
| 2 | Rezistența de contact | ≤30mΩ Valoarea inițială | |
| 3 | Rezistenta de izolare | ≥100MΩ (500VDC) | |
| 4 |
Dielectric Voltaj |
Între terminale neconectate |
1000V/0,5mA/60S |
|
Între terminale și cadrul metalic |
3000V/0,5mA/60S | ||
| 5 | Viața electrică | ≥50000 de cicluri | |
| 6 | Viața mecanică | ≥1000000 de cicluri | |
| 7 | Temperatura de operare | -25~125℃ | |
| 8 | Frecvența de operare |
electrice : 15 cicluri Mecanic: 60 de cicluri |
|
| 9 | Rezistenta la vibratii |
Frecvența vibrațiilor: 10~55HZ; Amplitudine: 1,5 mm; Trei direcții: 1H |
|
| 10 |
Capacitate de lipit: Peste 80% din piesa imersată va fi acoperit cu lipit |
Temperatura de lipit: 235±5℃ Timp de scufundare: 2~3S |
|
| 11 | Rezistenta la caldura de lipit |
Lipire prin scufundare: 260±5℃ 5±1S Lipire manuală: 300±5℃ 2~3S |
|
| 12 | Aprobari de siguranta | UL, CSA, VDE, ENEC, TUV, CE, KC, CQC | |
| 13 | Condiții de testare |
Temperatura ambientală: 20±5℃ Umiditate relativă: 65±5%RH Presiunea aerului: 86~106KPa |
|
Caracteristica și aplicația Micro Switch
Detalii Micro Switch
