Ca model de referință al seriei de microcomutatoare Yueqing Tongda Wire Electric Factory, microcomutatorul cu pârghie pentru componente electronice normal deschis prezintă „sensibilitate ridicată, durată de viață ultra-lungă și adaptabilitate la mai multe scenarii” drept avantaje principale. Integrând cei 35 de ani de experiență în producția de comutatoare a companiei, a devenit o componentă cheie de control în aparatele de uz casnic, electronica auto, automatizarea industrială și alte domenii, datorită decalajului minim de contact și mecanismului de acțiune rapidă. Performanța și fiabilitatea sa au fost certificate de mai multe organizații autorizate din întreaga lume, asigurându-și poziția principală pe piața de nișă.
Micro Switch Introducere
Seria HK-14 oferă opțiuni de personalizare extrem de flexibile pentru a îndeplini cerințele diferențiate ale aplicațiilor. Forța de operare poate fi personalizată (mai puțin de 5,0 N în starea fără pârghie, standard 30±15 gf), cu un interval de cursă de operare de 0,6–1,5 mm, potrivită pentru diferite scenarii de forță de declanșare și deplasare. Stilurile de pârghie sunt personalizabile, inclusiv pârghii drepte, îndoite și cu role, care se pot potrivi cu diferite structuri de transmisie mecanică. Formularele de contact acoperă întreaga gamă de SPDT (1NO 1NC), NO și NC.
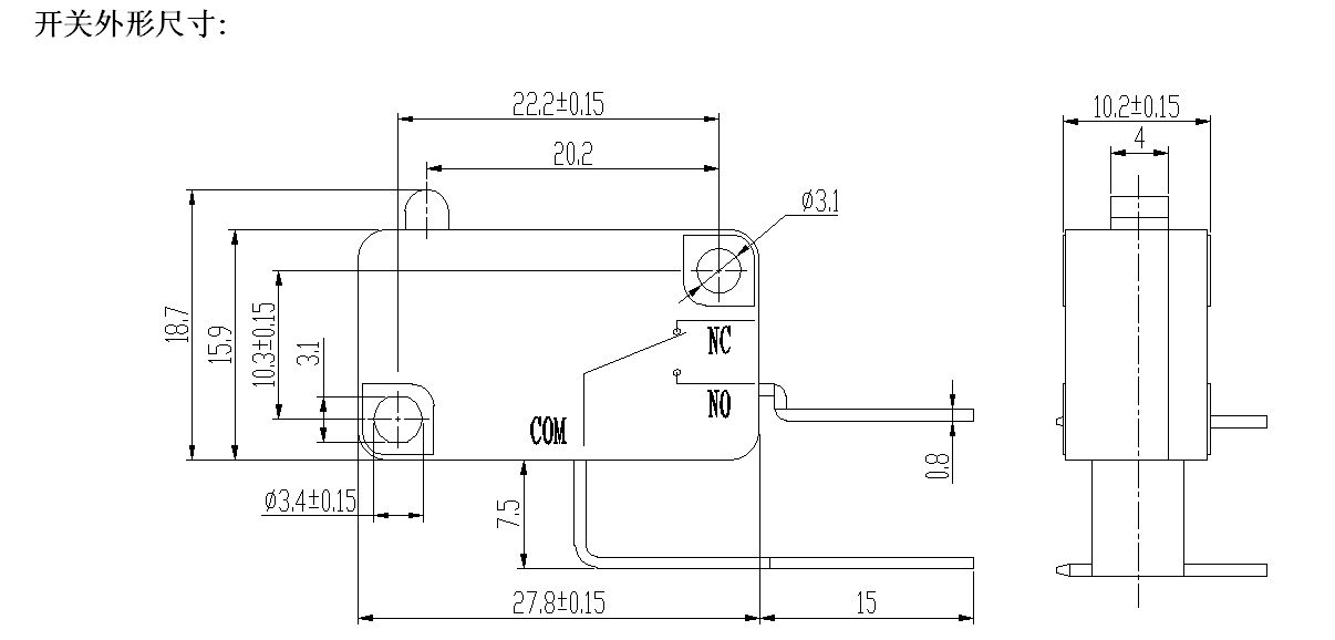
Parametrul micro-comutatorului (specificație)
| Caracteristici tehnice ale comutatorului: | |||
| ARTICOL | Parametrul tehnic | Valoare | |
| 1 | Evaluare electrică | 5(2)A/10A/16(3)A/21(8)A 250VAC | |
| 2 | Rezistența de contact | ≤30mΩ Valoarea inițială | |
| 3 | Rezistenta de izolare | ≥100MΩ (500VDC) | |
| 4 |
Dielectric Voltaj |
Între terminale neconectate |
1000V/0,5mA/60S |
|
Între terminale și cadrul metalic |
3000V/0,5mA/60S | ||
| 5 | Viața electrică | ≥50000 de cicluri | |
| 6 | Viața mecanică | ≥1000000 de cicluri | |
| 7 | Temperatura de operare | -25~125℃ | |
| 8 | Frecvența de operare |
electrice : 15 cicluri Mecanic: 60 de cicluri |
|
| 9 | Rezistenta la vibratii |
Frecvența vibrațiilor: 10~55HZ; Amplitudine: 1,5 mm; Trei direcții: 1H |
|
| 10 |
Capacitate de lipit: Peste 80% din piesa imersată va fi acoperit cu lipit |
Temperatura de lipit: 235±5℃ Timp de scufundare: 2~3S |
|
| 11 | Rezistenta la caldura de lipit |
Lipire prin scufundare: 260±5℃ 5±1S Lipire manuală: 300±5℃ 2~3S |
|
| 12 | Aprobari de siguranta | UL, CSA, VDE, ENEC, TUV, CE, KC, CQC | |
| 13 | Condiții de testare |
Temperatura ambientală: 20±5℃ Umiditate relativă: 65±5%RH Presiunea aerului: 86~106KPa |
|
Caracteristica și aplicația Micro Switch
Detalii Micro Switch
