Fiind model de referință al seriei de microcomutatoare Yueqing Tongda Wire Electric Factory, microcomutatorul pentru cuptorul cu microunde și mașina de spălat rufe prezintă „sensibilitate ridicată, durată de viață ultra lungă și adaptabilitate la mai multe scenarii” drept avantaje principale. Integrând cei 35 de ani de experiență în producția de comutatoare a companiei, a devenit o componentă cheie de control în aparatele de uz casnic, electronica auto, automatizarea industrială și alte domenii, datorită decalajului minim de contact și mecanismului de acțiune rapidă. Performanța și fiabilitatea sa au fost certificate de mai multe organizații autorizate din întreaga lume, asigurându-și poziția principală pe piața de nișă.
Micro Switch Introducere
Produsul a obținut certificări globale majore de siguranță, inclusiv UL, C-UL, ENEC, VDE, CE, CB, TUV, CQC și KC, respectă standardul IEC 61058 și îndeplinește cerințele de acces pe piață în regiuni precum Europa, America și Asia-Pacific. Compania a obținut certificările de sistem de management al calității ISO9001 și IATF 16949 și implementează cu strictețe directivele de mediu RoHS și REACH, asigurând un control rafinat pe parcursul întregului proces de producție. Cu 6 brevete naționale de invenție și 48 de brevete de model de utilitate, seria HK-14 atinge niveluri de încredere și coerență de vârf în industrie.
Instrucțiuni de instalare și utilizare
La instalare, comutatorul trebuie montat pe o suprafață plană și fixat cu o șaibă plată sau o șaibă elastică pentru a preveni funcționarea defectuoasă sau deteriorarea carcasei cauzate de suprafețele neuniforme. Alegeți modele în funcție de mediu: pentru condiții umede sau cu praf, se recomandă utilizarea unei versiuni personalizate sigilate pentru a spori protecția. Nu aplicați ulei lubrifiant la buton sau dispozitiv de acționare pentru a preveni lipirea contactului, defecțiunile funcționale sau chiar arderea. În timpul depozitării, păstrați produsul într-o zonă uscată, ventilată, ferită de ploaie sau zăpadă și evitați temperaturile și umiditatea ridicate care pot cauza îmbătrânirea componentelor, asigurându-vă că produsul își păstrează performanța inițială.
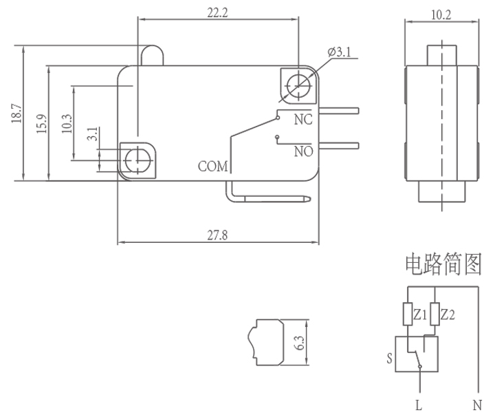
Parametrul micro-comutatorului (specificație)
| Caracteristici tehnice ale comutatorului: | |||
| ARTICOL | Parametrul tehnic | Valoare | |
| 1 | Evaluare electrică | 5(2)A/10A/16(3)A/21(8)A 250VAC | |
| 2 | Rezistența de contact | ≤30mΩ Valoarea inițială | |
| 3 | Rezistenta de izolare | ≥100MΩ (500VDC) | |
| 4 |
Dielectric Voltaj |
Între terminale neconectate |
1000V/0,5mA/60S |
|
Între terminale și cadrul metalic |
3000V/0,5mA/60S | ||
| 5 | Viața electrică | ≥50000 de cicluri | |
| 6 | Viața mecanică | ≥1000000 de cicluri | |
| 7 | Temperatura de operare | -25~125℃ | |
| 8 | Frecvența de operare |
electrice : 15 cicluri Mecanic: 60 de cicluri |
|
| 9 | Rezistenta la vibratii |
Frecvența vibrațiilor: 10~55HZ; Amplitudine: 1,5 mm; Trei direcții: 1H |
|
| 10 |
Capacitate de lipit: Peste 80% din piesa imersată va fi acoperit cu lipit |
Temperatura de lipit: 235±5℃ Timp de scufundare: 2~3S |
|
| 11 | Rezistenta la caldura de lipit |
Lipire prin scufundare: 260±5℃ 5±1S Lipire manuală: 300±5℃ 2~3S |
|
| 12 | Aprobari de siguranta | UL, CSA, VDE, ENEC, TUV, CE, KC, CQC | |
| 13 | Condiții de testare |
Temperatura ambientală: 20±5℃ Umiditate relativă: 65±5%RH Presiunea aerului: 86~106KPa |
|
Caracteristica și aplicația Micro Switch
Detalii Micro Switch
