Fiind un produs reprezentativ al Yueqing Tongda Wire Electric Factory care întruchipează integrarea standardizării și personalizării de bază, Micro Switch for Juicer and Vacuum Cleaner este proiectat cu principiile de bază de „stabilitate, fiabilitate și compatibilitate cu scena”. Acesta încorporează 35 de ani de experiență a companiei în producția de comutatoare, realizând multiple optimizări în performanța electrică, nivelurile de protecție și experiența utilizatorului. Comutatorul este aplicabil pe scară largă în scenarii precum distribuția de energie inteligentă la domiciliu, echipamentele auxiliare industriale și instrumentele medicale mici, făcându-l o componentă preferată de control al circuitului care echilibrează universalitatea cu potențialul de personalizare.
Micro comutatorIntroducere
Micro-întrerupătoarele (cunoscute și ca întrerupătoare cu acțiune rapidă) utilizează un mecanism cu arc pentru a permite activarea instantanee - nu este necesară apăsarea treptată. Acestea pot deschide sau închide rapid contactele, asigurând o performanță stabilă fără întârziere. Pentru cumpărători, acest lucru se traduce printr-o durabilitate mai mare (reducerea uzurii contactelor) și precizie, prevenind astfel riscurile de siguranță cauzate de întrerupătoarele blocate.
Micro comutatorAplicație
Microcomutatoarele sunt utilizate pe scară largă și fiabile în performanță, aplicate în principal în:
- Aparate electrocasnice: lumini pentru frigider, încuietori uși cuptorului cu microunde, întrerupătoare pentru capacul mașinii de spălat și cronometre pentru prăjitor de pâine.
- Echipamente industriale: modele grele potrivite pentru benzi transportoare, mașini și panouri de control (rezistente la praf și la umiditate).
- Domeniul auto: ștergătoarele de parbriz, indicatoare de ușă întredeschisă — capabile să reziste la vibrații și la temperaturi extreme.
- Dispozitive electronice: întrerupătoare miniaturale pentru telecomenzi și controlere de joc (responsive și de lungă durată).
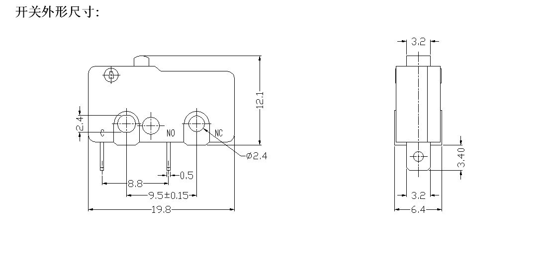
Micro comutator Caietul de sarcini
| Caracteristici tehnice ale comutatorului: | |||
| ARTICOL | Parametrul tehnic | Valoare | |
| 1 | Evaluare electrică | 5(2)A 125V/250VAC 10(3)125V/250VAC | |
| 2 | Rezistența de contact | ≤50mΩ Valoarea inițială | |
| 3 | Rezistenta de izolare | ≥100MΩ (500VDC) | |
| 4 |
Dielectric Voltaj |
Între terminale neconectate |
500V/0,5mA/60S |
| Între terminale și cadrul metalic |
1500V/0,5mA/60S | ||
| 5 | Viața electrică | ≥10000 de cicluri | |
| 6 | Viața mecanică | ≥100000 de cicluri | |
| 7 | Temperatura de operare | -25~125℃ | |
| 8 | Frecvența de operare | Electrice: 15 cicluri Mecanic: 60 de cicluri |
|
| 9 | Rezistenta la vibratii | Frecvența vibrațiilor: 10~55HZ; Amplitudine: 1,5 mm; Trei direcții: 1H |
|
| 10 | Capacitate de lipit: Peste 80% din piesa imersată va fi acoperit cu lipit |
Temperatura de lipit: 235±5℃ Timp de scufundare: 2~3S |
|
| 11 | Rezistenta la caldura de lipit | Lipire prin scufundare: 260±5℃ 5±1S Lipire manuală: 300±5℃ 2~3S |
|
| 12 | Aprobari de siguranta | UL、CSA、VDE,ENEC、CE | |
| 13 | Condiții de testare | Temperatura ambientală: 20±5℃ Umiditate relativă: 65±5%RH Presiunea aerului: 86~106KPa |
|
Tongda Wire Electric Comutator de alimentare micro USB în linie Detalii
