Comutatorul de deplasare independent cu limită dublă este o componentă de control automată declanșată de mișcare mecanică. Funcția sa principală este de a detecta deplasarea sau cursa unui obiect pentru a obține deschiderea și închiderea circuitelor, pornirea și oprirea echipamentului sau protecția limită. Este o „santinelă de siguranță” indispensabilă și „comandant de acțiune” în automatizarea industrială și echipamentele electromecanice.
Comutator Introduceuct
Comutatorul de călătorie (cunoscut și sub denumirea de comutator de limită) este o componentă de control automată declanșată de mișcare mecanică. Funcția sa principală este de a detecta deplasarea sau cursa unui obiect pentru a obține deschiderea și închiderea circuitelor, pornirea și oprirea echipamentului sau protecția limită. Este o „santinelă de siguranță” indispensabilă și „comandant de acțiune” în automatizarea industrială și echipamentele electromecanice.
Comutator Aplicațietion
Aplicație în aparatele de acasă și în casa inteligentă:
Maşină de spălat:Un comutator limită este instalat pe ușa unei mașini de spălat cu încărcare față. Aparatul va porni numai atunci când ușa este complet închisă, iar comutatorul activează circuitul, ceea ce împiedică aruncarea scurgerilor de apă sau a hainelor în timpul funcționării.
Frigider/cuptor:Când o ușă a frigiderului este închisă, întrerupătorul declanșează pentru a opri lumina interioară. În schimb, dacă o ușă a cuptorului nu este închisă în siguranță, întrerupătorul va reduce alimentarea la elementele de încălzire pentru a preveni scurgerea de căldură.
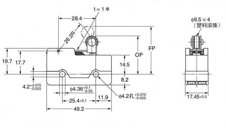
Comutator Detalii
