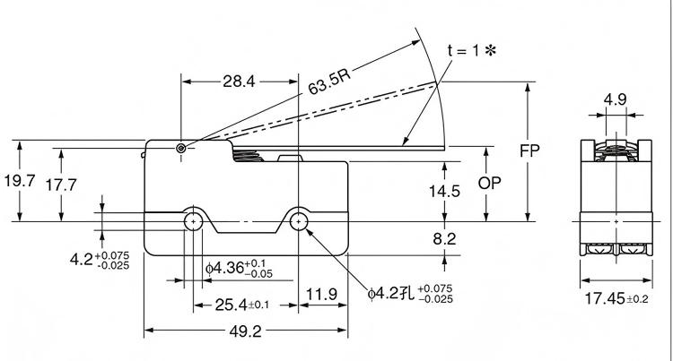
Limita de deplasare cu două legături Micro Switch este o componentă de control automată declanșată de mișcare mecanică. Funcția sa principală este de a detecta deplasarea sau cursa unui obiect pentru a obține deschiderea și închiderea circuitelor, pornirea și oprirea echipamentului sau protecția limită. Este o „santinelă de siguranță” indispensabilă și „comandant de acțiune” în automatizarea industrială și echipamentele electromecanice.
Comutator Introduceuct
Comutatorul de călătorie (cunoscut și sub denumirea de comutator de limită) este o componentă de control automată declanșată de mișcare mecanică. Funcția sa principală este de a detecta deplasarea sau cursa unui obiect pentru a obține deschiderea și închiderea circuitelor, pornirea și oprirea echipamentului sau protecția limită. Este o „santinelă de siguranță” indispensabilă și „comandant de acțiune” în automatizarea industrială și echipamentele electromecanice.
Comutator Aplicațietion
În macarale, ascensoare și platforme de ridicare, întrerupătoarele de limită sunt componente critice de siguranță:
Arborele ascensorului:Întrerupătoarele de limită superioară și inferioară sunt instalate în partea de sus și de jos a arborelui elevatorului. Dacă elevatorul pierde controlul și călătoriile excesive, întrerupătoarele sunt declanșate pentru a angaja frâna de urgență, împiedicând mașina să se prăbușească în partea de sus (deasupra) sau de jos (groapa) a arborelui.
Cârlig de macara:Un comutator de limită este instalat în poziția limită superioară a căii cârligului. Când cârligul se apropie de podul macaralei, comutatorul este activat pentru a reduce puterea la motorul de ridicare, evitând astfel coliziunile și deteriorarea echipamentului.
Comutator Detalii
